欢迎光临~广州天之山工业技术有限公司
全国服务热线:

020-38298146

您的位置:首 页 > 案例中心 > 环保发电厂改造案例 > 浓缩液回喷系统改造项目

环保发电厂改造案例

浓缩液回喷系统改造项目

环保发电厂浓缩液回喷系统改造项目


-----花都、永兴、增城,南沙,福山

1、工程概况

1.1  现场勘探,初步确定泵的安装位置和管道走向,阀门、流

量计、压力传感器等需要进一步确认安装位置。

1.2  目前该厂三炉运行

1.3  浓缩液收集系统还处在建设当中,浓缩液池已成型,其他如浓缩液泵、控制系统还未安装,而我公司承建的浓缩液回喷系统受浓缩液收集系统的工程限制,需要互相协调。

1.4  该系统一台泵将浓缩液提供给三台炉焚烧,泵座、管道、控制、喷头等等全新安装。

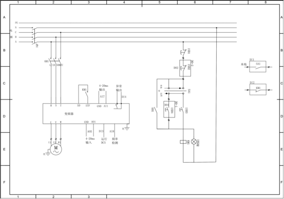
2、系统图

2.1  天之山公司提交的图纸,应由电厂最短时间提交给相关部门审核,提出意见。该施

工方案确认签字后,根据图纸指引施工。

2.2  图纸只显示系统原理图,各部件不显示具体位置,具体位置电厂在我公司进场时,

请尽早协助确定位置,尽量少改动,否则会延误工程时间。

2.3  管道图 


2.4 电路图

    主电路


电动球阀等



DCS信号



控制流程



3、准备和施工

       3.1因整个厂都处在建设期,回喷系统受浓缩液池的工程进度影响,需要电厂协调浓缩液池的

          工程进度,衔接好整个系统的同步,提供下面的我司的工程进度表作为衔接参考。

     

                4、喷头需要知道安装结构,取旧样回厂加工试验。

   


  3.2 安装管道和阀门,按确定的图纸安装,流量计和电动控制球阀需得到电厂热控和电



器部门的技术指导,明确选取位置,原则方便操作和维修。

    3.3 管道铺设要求横、竖要基本平行和垂直,要求美观。

3.4 考虑到以后的升级,泵位留出备用泵的位置,用手动球阀隔断,也可以做其他引用。

3.5   泵安装,原底板清洁毛糙处理,模板成型并固化底座。水泥底座应比泵座宽出100mm。高度100mm

    离水泥底座500处做水泥砖围栏(视场地),将水引到傍边的下水道。

3.6  任何过墙等高空作业,采用高空车或搭建金属架。

3.7  阀门、流量计,电动球阀等易损件用法兰连接方式连接。

3.8  操作阀按规范要求安装,并尽量固定在操作容易和无操作安全隐患的位置上。

3.9  压力表必须引正安装,表面应固定在有利观察的位置上。


现场安装效果图





上一个:没有了 下一个:没有了

导航栏目

联系我们

联系人:胡诗亚

电话:020-38298146

传真:020-38735051

邮箱:2132024948@qq.com

  QQ:2132024948

地址:广东省广州市天河区天河北路401号801房

用手机扫描二维码关闭
二维码